电磁流量计简易故障判别
概述:电磁流量计是导电介质的首选仪表,广泛使用在各个工业应用领域。在使用维护过程中发现表计不准,需要我们分析是哪方面的原因。本文以科隆电磁流量计为例,就流量计本体故障给出一种简易判别方法供参考。
1电磁流量计组成和基本结构
1.1 原理---法拉第电磁感应定律
U=K×B×D×V
其中:
U---感应电动势
K---仪表常数
B---线圈产生的磁场强度
D---测量管直径
V---流体平均流速
K、B、D是不受介质温度、压力、粘度、密度变化影响的常数。
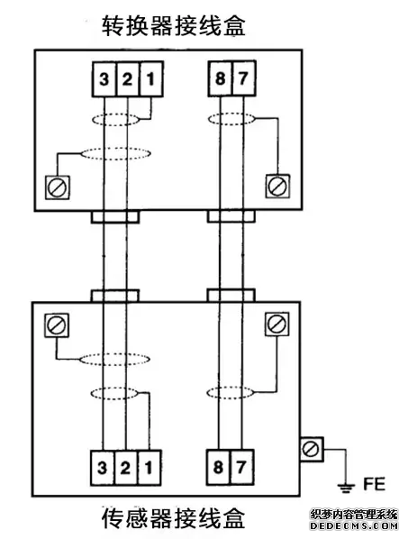
1.2 组成
电磁流量计由传感器和转换器组成,结构上它们可以是一体型的,也可做成分体型的。分体型的接线如图所示。
其中:7、8是线圈回路,1、2、3是电极信号放大回路。
传感器的作用是将流体平均流速转换成电势信号,转换器的作用是给传感器线圈提供电流(产生磁场)、将传感器产生的感应电动势U经过放大等处理转换成流量信号或就地显示。
2 检测
2.1 线圈检测
线圈电阻与仪表规格、口径有关,一般在15---150欧姆之间;线圈与电极、仪表外壳电气上是绝缘的,对于电磁流量计绝缘的概念是大于20 MΩ。
断开与转换器接线后可用万用表检测。
R7、8=15---150Ω
R7、1≥20 MΩ
R7、2≥20 MΩ
R7、3≥20 MΩ
R8、1≥20 MΩ
R8、2≥20 MΩ
R8、3≥20 MΩ
2.2 电极检测
2.2.1当管道内无介质时,电极间绝缘。
R1、2≥20 MΩ
R1、3≥20 MΩ
R2、3≥20 MΩ
2.2.2当管道内有介质时,电极间电阻与仪表口径、介质电导率有关,口径越大电阻越大、电导率越高电阻越小。
对于100mm口径仪表、介质是自来水,电极间的电阻大约是:
R1、2=300---600 kΩ
R1、3=300---600 kΩ
R2、3=300---600 kΩ
请注意它们是相互对称的。
3转换器检测
3.1 线圈供电回路检测
线圈供电通常是“正”、“负”交变的方波恒流源,其电流值大约是±(50---300) mA,不能用万用表直接测量。
可以在有流量时,利用仪表的瞬时流量显示间接检测。
不更改任何接线时仪表有一个瞬时流量值,例如:“+100m3/h”。
将接线端7、8反接,仪表应当显示“-100m3/h”。
将接线端7、8断开,仪表应当显示“0m3/h”。
在供电回路中串联一个二极管,瞬时流量值大约减半。
3.2 放大回路检测
将转换器侧接线端1、2、3用二根导线相互短接,仪表应当显示“0m3/h”。
将转换器侧接线端1、2、3断开,用手(或螺丝刀)分别触碰接线端2、3,仪表会分别显示一个“正的”、或“负的”跳变流量。
3.3 输出回路检测
根据仪表显示的瞬时流量和量程换算出4—20mA电流值,用万用表电流档测量。
4分体型导线检测
断开传感器、转换器连接线,同芯相通、异芯绝缘。
5总结
对于维护检测而言,传感器电气原理上由一对线圈和一对与介质相接触的电极组成。在线圈无外部连线时,与其它任何回路绝缘。请注意万用表测出不绝缘,其回路肯定不绝缘;万用表测出绝缘,其结果未必正确,必要时用兆欧表复测。传感器接线端“1、2、3”在有介质时,具有导通性和对称性。转换器由“线圈供电”、“放大处理”、“就地显示”、“输出回路”组成,重点检测“线圈供电”、“放大处理”
附:电磁流量计最常见故障---电极结垢简易处理方法(仅适用于非防爆场合!)
当电极间电阻R1、2、R1、3、R2、3偏大或不对称时,将传感器2、3号线接到转换器7、8号端约十分钟,恢复正常接线。其原理是:原线圈供电回路对电极供电,在电极表面对介质电解,形成气泡带走结垢。
同类文章排行
- 电磁流量计工作原理(智能电磁流量计怎么调),电磁式流量计原理
- 电磁流量计安装(电磁流量计安装直管段要求),电磁流量计安装图
- 电磁流量计(电磁流量计接线端子说明),电磁流量计安装要求
- 电磁流量计涡街流量计(涡街流量计和电磁流量计怎么选取),电磁流量计和涡街流量计哪个贵
- 小流量电磁流量计(电磁流量计流量变小的原因),电磁流量计流量范围
- 电磁流量计校验(电磁流量计校准方法),电磁流量计校验周期
- 电磁流量计校验(电磁流量计校准方法),电磁流量计校验周期
- 电磁流量计接线图(科隆电磁流量计接线图),电磁流量计安装图
- 电磁流量计(电磁流量计型号表示),电磁流量计安装要求
- 电磁流量计安装(电磁流量计安装要求图解)
最新资讯文章
- 电磁流量计工作原理(智能电磁流量计怎么调),电磁式流量计原理
- 电磁流量计安装(电磁流量计安装直管段要求),电磁流量计安装图
- 电磁流量计(电磁流量计接线端子说明),电磁流量计安装要求
- 电磁流量计涡街流量计(涡街流量计和电磁流量计怎么选取),电磁流量计和涡街流量计哪个贵
- 小流量电磁流量计(电磁流量计流量变小的原因),电磁流量计流量范围
- 电磁流量计校验(电磁流量计校准方法),电磁流量计校验周期
- 电磁流量计校验(电磁流量计校准方法),电磁流量计校验周期
- 电磁流量计接线图(科隆电磁流量计接线图),电磁流量计安装图
- 电磁流量计(电磁流量计型号表示),电磁流量计安装要求
- 电磁流量计安装(电磁流量计安装要求图解)







首页
电话
QQ
联系