|
一.用途说明
|
|
耐震压力表主要用于冶金、电力、石油、化工、轻工、机械等工业部门的压力检测。压力表依靠内部充灌阻尼油和配套缓冲装置等措施。具有良好的耐震性能。适用于被测介质的压力有强烈脉冲变化或压力冲击和在生产工艺中经常突然卸何的场合,以及环境震动较大的场所。仪表能测气体、液体脉动压力的平均值。以克服介质强烈脉冲及环境震动对仪表带来的损害,确保读数的准确性。
不锈钢耐震压力表的外壳用不锈钢材料制成(简称半钢),可在有腐蚀性、振动较大的恶劣环境中使用。
|
|
二.型号命名
|
|

|
|
|
|

YTN-100Z
|

YTN-150ZT-BF
|
|
|
三.技术参数
|
|
型号
|
结构形式
|
精确度%
|
测量上限MPa
|
|
YTN-60
YTN-60ZT
YTN-60B
YTN-63B
|
径向
轴向带边
径向
轴向带边
|
2.5
|
0~0.1;0~0.16;0~0.25;0~0.4;0~0.6;0~1.0;
0~1.6;0~2.5;0~4.0;0~6.0;0~10;
0~16;0~25;0~40
|
|
YTN-100
YTN-100ZT
YTN-100B
YTN-103B
|
径向
轴向带边
径向
轴向带边
|
1.6
|
0~0.1;0~0.16;0~0.25;0~0.4;0~0.6;0~1.0;
0~1.6;0~2.5;0~4.0;0~6.0;0~10;
0~16;0~25;0~40;0~60
|
|
YTN-150
YTN-150ZT
YTN-150B
YTN-150B
|
径向
轴向带边
径向
轴向带边
|
0~0.1;0~0.16;0~0.25;0~0.4;0.0~6;0~1.0;
0~1.6;0~2.5;0~4.0;0~6.0;0~10;
0~16;0~25;0~40;0~60;0~100
|
|
|
使用环境温度:-5~55℃(表壳内充甘油);
-25~55℃(表壳内充硅油)。
|
|

YZ-□
|

YZ-□T
|
|

YTN-□Z
|

YTN-□ZT
|
|
|
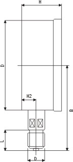
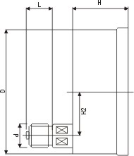
型号
|
D
|
d
|
L
|
d0
|
B
|
H
|
d2
|
H1
|
H2
|
|
YTN-60
|
φ60
|
M14×1.5
|
14
|
|
55
|
32
|
|
|
13
|
|
YTN-60ZT
|
76
|
65
|
32
|
4.5
|
27
|
0
|
|
YTN-60B
|
|
55
|
32
|
|
|
13
|
|
YTN-63B
|
76
|
65
|
32
|
4.5
|
27
|
0
|
|
YTN-100
|
φ100
|
M20×1.5
|
20
|
|
90
|
44
|
|
|
18
|
|
YTN-100ZT
|
118
|
90
|
44
|
5.5
|
27
|
30
|
|
YTN-100B
|
|
90
|
44
|
|
|
18
|
|
YTN-103B
|
118
|
90
|
44
|
5.5
|
27
|
30
|
|
YTN-150
|
φ150
|
M20×1.5
|
20
|
|
120
|
44
|
|
|
18
|
|
YTN-150ZT
|
165
|
95
|
44
|
5.5
|
27
|
55
|
|
YTN-150B
|
|
120
|
44
|
|
|
18
|
|
YTN-153B
|
165
|
95
|
44
|
5.5
|
27
|
55
|
|
|
备注:连接螺纹可按要求订货。
|